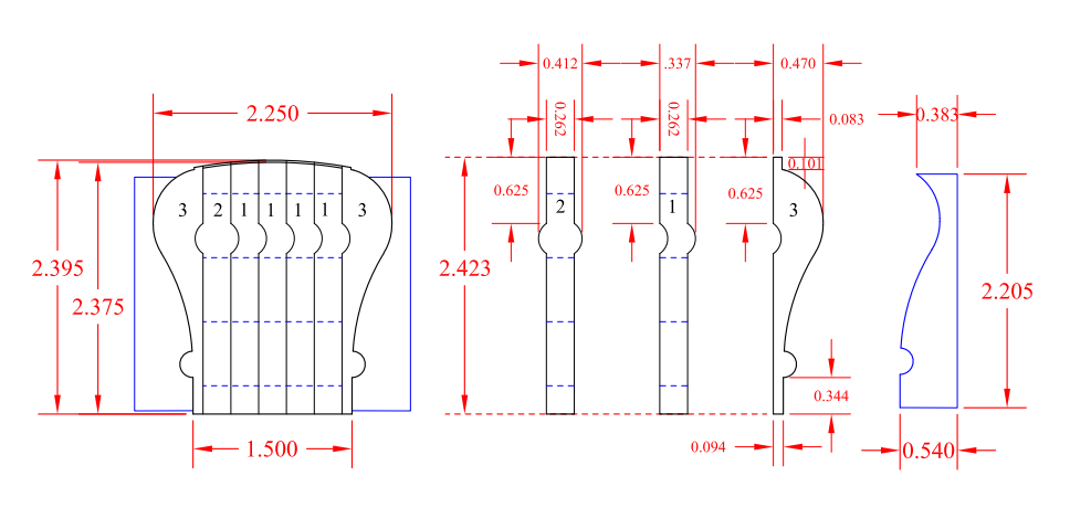
C-6016 Traditional Bending Rail (7pc) with Bending MouldSKU: C-6016Lengths Available in Red Oak*SelectLengths Available in Hard Maple*SelectLengths Available in White Oak*SelectInformation:CAD Drawing 2-1/4" x 2-3/8"