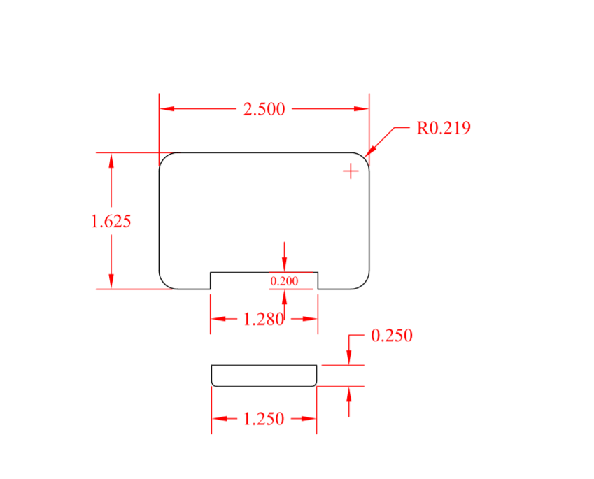
C-6700P Craftsman Rail-1-1/4" Plow with FilletSKU: C-6700PLengths Available in Red Oak*SelectLengths Available in Hard Maple*SelectLengths Available in White Oak*SelectLengths Available in Poplar*SelectInformation:CAD Drawing Plowed 1-1/4" 2-1/2" x 1-5/8"